Sunday, April 10, 2011

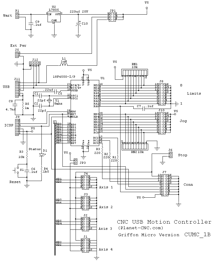
CNC USB Motion Controller

Our Version of the CUMC

This version of the Planet-CNC, CNC USB Motion Controller is very similar to the original with the following differences: added a 5V regulator, added a connector for a USB panel mount, changed the ICSP to the PicKit2 pinout and changed sip resistors to 10 pin (readily available). The 10 pin driver connector is PMinMO compatible and is correctly oriented. The USB connector has been moved to the front for insertion thru the front panel of the electronic enclosure.

In addition to the CUMC, a jog switch panel pcb and a limit switch junction pcb are in the works. At some point a enclosure layout will be added to this post.






Bill of Materials for CNCCUMC_1B

 http://www.batchpcb.com/index.php/Products/57241


Bill of Material for C:\PCB PIC\CNC_CUMC_01B.PCB

On 4/9/11 at 5:59:46 PM








Count
Label-Value
Pattern
Designation(s)
Mouser #





2
22pf
cap100s
C1 C2
80-C315C220J1G
1
220uf
C+300D140
C10
647-UHE1E221MPD
3
.1uf
cap100s
C3 C5 C6
80-C320C104M5R
3
.1uf
cap100
C7 C9
80-C320C104M5R
1
.22uf 50V 20%
cap100
C4
80-C320C224K5R
1
.0047uf
cap100
C8
80-C315C472K5R
1
1N5817
DIODE0.35
D1
511-1N5817
1
ferrite bead
AXIAL0.3
FB
623-2743001112LF
4
IDC10-S
XIDC10
J1 J2 J3 J4
517-D2510-6002-AR
3
IDC16-S
XIDC16
J10 J7 J8
517-D2516-6002-AR
1
USB-S B
USB-BS
J11
523-UE27-BC54-130
1
IDC Header 4
620454-4
J12
571-6404564
2
IDC Header 2
620454-2
J5 J6
571-6404562
1
IDC Header 6
620454-6
J9
571-6404566
1
DHeader 6
IDC6
JP1
517-836-01-04
2
SHeader 2
SIP2
JP2 JP3
517-647-01-02
1
LED green
LED
LD1
638-HLMP-1790
1
Power Jack
PJ-102A2
PB1
CUI PJ-102A Digikey
3
220R 1/8W
AXIAL0.25
R1 R2 R3
299-220-RC
1
10k 1/8W
AXIAL0.25
R4
299-10K-RC
1
1meg 1/8W
AXIAL0.25
R5
299-1M-RC
1
1K5 1/8W
AXIAL0.25
R6
299-1.5K-RC
2
10K SIP 9P
SIP9
RN1 RN2
652-4610X-1LF-10K
1
TS 3.5x6mm
SW635
S1
101-TS4311T2601-EV
1
18F4550
DIP40.6X2025
U1
18F4550-I/P
1
L7805
TO252AB
U2

511-L7805CD2T-TR
1
8mhz
XTAL4
Y1
520-HCU800-20X
1
40 pin IC socket

U1S
517-4840-6004-CP


Getting the CUMC Board Working

1) Install the USB driver and the CUMC software on your PC (See manual)

2) Using PIC programmer install Bootloader in 18F4550. I used MeLab serial programmer. PicKit2 or PicKit3 can also be used or one of your choice.

3) Connect Jumper from Jog8 to Vcc. Press reset. Led should start blinking.

4) Remove jumper and insert USB connector.

5) Start PC software.

6) Using software do: Machine-Firmware-Update

7) Firmware should update and give a response.

Assembled Board

Below is a picture of the assembled board.





Unhappily, Batchpcb failed to place the top silk screen. Why, I don't know, since it was in the zip file. The back of the pcb has a ground plane and the orange markers in the above layout are the ground points. This print does show the top screen for reference.

I plan to make some changes to the board once I have this prototype working. As I assembled this prototype, some changes have already been made to the layout to accommodate , for example, a jog switch pcb, etc.

The next step is to  program the 18F4550 and test the pcb.

Important Note:
Our version does not have the same 16 pin connector orientation as planet_cnc. This can be fixed during assembly by rotating the the JOG and the Limit connectors by 180 degrees. To make sure, go to planet_cnc store and double click their pcb image. Make sure the connectors have the same orientation. By doing this the connector pinout will match the manual. It should be pointed out that the planet_cnc overlay pdf is wrong and does not match the manual.

Our version 2 will fix the connector orientation problem, but will not be sent to Batchpcb until the present version is completely tested.

Update:
Since a complete electronic package is our goal, a JOG switch pcb and a limit switch pcb have been designed. The JOG pcb will mount on the electronic case front panel and the limit switch pcb will mount at the CNC router.Cabling the limit switch pcb will be as follows: IDC-16 pin on CUMC to DB-15 pin on rear panel to DB-15 pin at router to 16pin IDC. A small aluminum box on rear of CNC router will house electrical interconnects, including connectors to motors.  

3 comments:

  1. As the prototype of the electronic motion control RepRap3. I will release the job design, and publish the experiences of others.

    USB Motion Controller

    ReplyDelete
  2. Hi, you have the firmware of CUMC Board? You can send me, please!

    ReplyDelete